

DME/ACU/IMMOBILIZER - (Late 95 - DME 2.10) - quick reference

DME/ACU/IMMOBILIZER - (Late 95 - DME 2.10) - detailed
Scroll down for 96-98

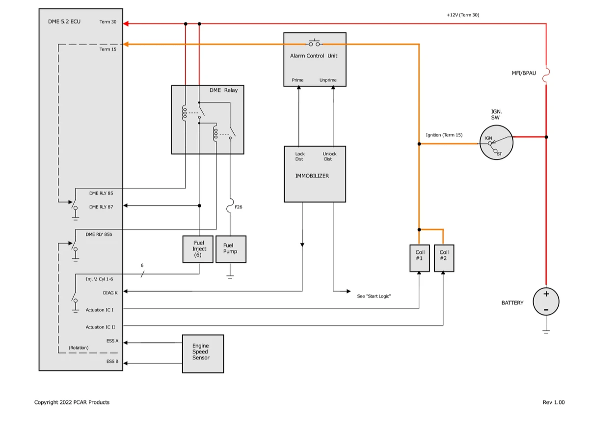
DME/ACU/IMMOBILIZER - (96 - 98 DME M5.2) - quick reference

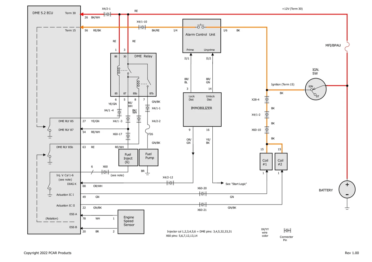
DME/ACU/IMMOBILIZER - (96 - 98 DME M5.2) - detailed

© 2019 PCAR Products. All rights reserved.



