

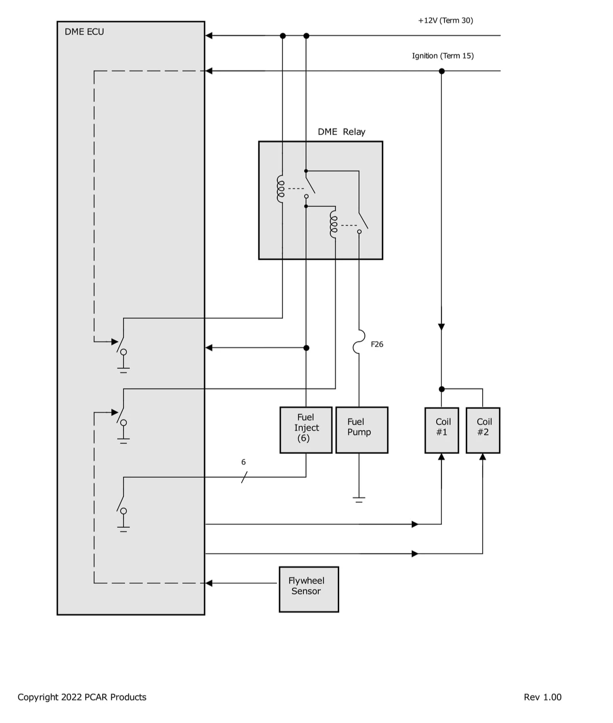
ECU/DME relay Logic ( 95 - DME M2.10) -Quick reference

ECU/DME relay Logic (95 - DME M2.10) - Detailed
Scroll down for 96-98

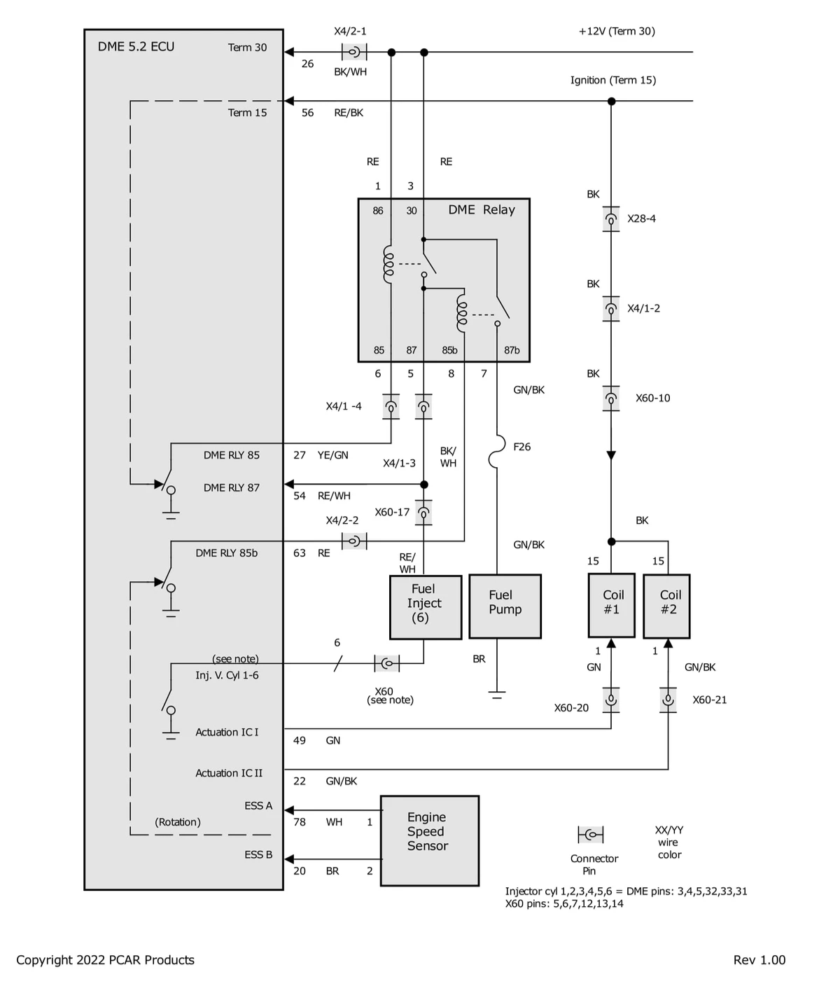
ECU/DME relay Logic (96-98 - DME M5.2) - quick reference

ECU/DME relay Logic (96-98 - DME M5.2) - Detailed

© 2019 PCAR Products. All rights reserved.



